jacquelinearzel2019早春形象大片

相关图片

jacquelinearzel2019早春形象大片

jacquelinearzel2019早春形象大片

jacquelinearzel2019早春形象大片

jacqueline arzel 杰克林2018春夏新品大片

jacqueline arzel 杰克林2018春夏新品大片

随机推荐

手绘王俊凯

angelababy新剧暮色心约侧颜校服剧照

事实证明曾经不可一世的毛阿敏到底是付出了惨痛的代价

央视:新上《亚运1 1》节目,老将白岩松奔赴杭州赛场做现场点评_新闻

金晨# 一袭红色抹胸高开叉长裙,雪肤玉貌,曼妙身姿,香肩玉背,风姿

唯有你也想见我的时候我们见面才有意义

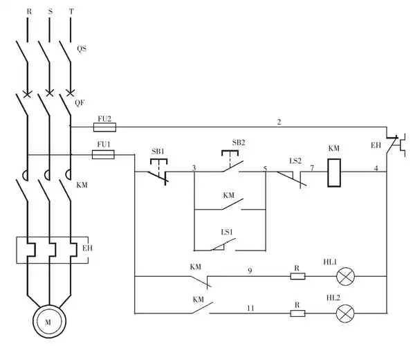
最简单的行程开关控制电路

hosa浩沙新款连体泳衣女专业竞速fina认证训练竞赛运动五分游泳衣