> 基于niosii的高精度数控直流稳压电源设计 图3为系统电源电路图

相关图片

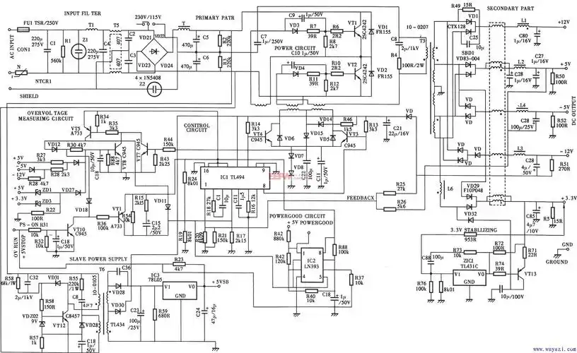
开关电源电路图原理图如图所示.

收集25套atx电源电路图及零基础视频入门讲座,以供参考

求助atx长城电脑电源电路图及修理方法

200watx电源(tl494)电路-开关稳压电源电路图-电子产品世界

lm317可调稳压电源电路图.jpg

随机推荐

任嘉伦 明星 明星风尚壁纸

top时刻科比离世四周年重温黑曼巴生涯十佳球

姚笛:《原来你也在这里》(2016跨界歌王)

长相普通的男生,如何改造成小鲜肉?

48岁贾静雯罕穿内衣秀丰满事业线,嫁给爱情的她,满脸大写的幸福

【夫妻相处之道】陈意涵被评不爱老公!

中国新歌声第二季 #卓猷燕 《蓝天》 #音乐

罗意威loewe女士织物配皮squaretote手提单肩包托特包a933c05x01