魏嘉齐乐否认和解:她和徐梓钧都在等高亚麟的道歉|演员|关晓彤|王俊凯

相关图片

南岸少主刘志宏官宣结婚,tf家族隐形的第四人,退圈已7年|王源|王俊凯

2024.5.9娱乐资讯:王俊凯,肖战,杨紫,高亚麟,古力娜扎,虞书欣,李宇春

陆虎老婆为王俊凯伴奏# 嘘姐超厉害 首先她是陈曌旭 其次是陆虎的妻子

刘志宏老婆否认刘志宏拿王俊凯吉他

王俊凯看到哥哥我怕的反应

随机推荐

出道仙,此生就这一次,好好珍惜

成毅袁冰妍二搭?肖战资源差?黄俊捷技术差?鹿晗要结婚了?

周星驰朱茵情侣头像

策划执行台州米兰庆典策划明星演唱会策划执行,灯光音响,舞台策划设计

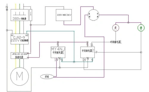
用中间继电器与浮球开关控制自动排污泵接线图

想你了,很想很想

《冰菓》千反田爱瑠和折木奉太郎,动漫全面屏cp壁纸分享

可爱头像 #卡通头像 #女生头像 #头像分享 #僵小鱼 #可爱小僵尸