什《电国声那半夜中歌~影张插?曲荣是不主曲是题么》首

相关图片

夜半歌声电影剧照

="#">于仁泰 /a>执导, a href="#" data-lemmaid="6804">张国荣 /a>,

收集 3 分享: 张国荣 -- topit.me 收录优美图片

!doctype html> html lang="en"> head> meta c

张国荣

随机推荐

董洁桌面壁纸之清纯明星

苹果高清壁纸

以上图片选自郭大顺《红山文化玉器鉴赏》藏友藏品与藏友交流:主要

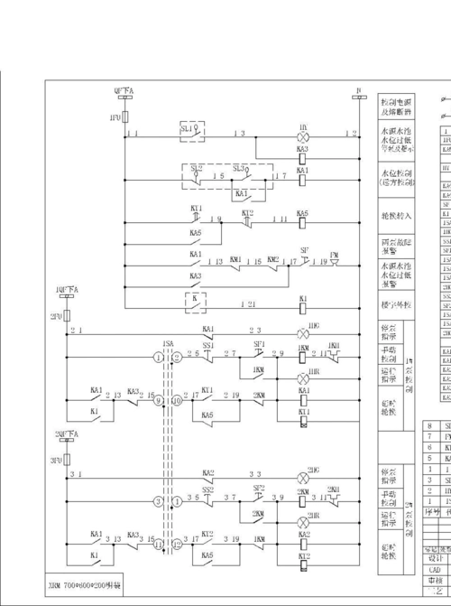
电气设计排水泵一用一备_word文档在线阅读与下载_无忧文档

龙湖龙民节商场小舞台设计

世界上最脏的男人,60年不洗澡,活了80多年|哈吉|脏脏|济公_新浪新闻

趣味讨论|十二生肖拟人后,猜一猜谁的颜值最高!

演员李纯结婚了吗老公是谁 李纯个人资料详情介绍_深圳热线