直流电机控制系统原理图

相关图片

变频器典型控制电路及参数设置新手必须掌握

多点异地电动机控制电路

小航还是想和朋友们分享一些干货,是关于电力电气行业 自动控制电路图

28例电气自动控制电路图,都是干货,快收藏吧!

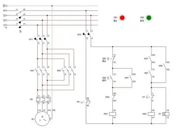
三相异步电动机单向连续运行控制电路图

随机推荐

六一快乐,分享刘亦菲的童年#刘亦菲

当然,即便不迷信,从审美角度出发,稍显丰满的耳垂,可以让耳朵形成

【王一博】2021年春节贺岁广告之 麦当劳vs肯德基 提前恭喜肯德基销量

有哪些美到极致的古风壁纸

孩子的学习:"方"字的正确笔顺怎么写?

【朴灿烈】我已深陷其中

天翼3g德宏老照片征集作品学校校舍的照片

五四广场#青岛网红打卡地# 不仅是青岛的城市象征,也是青岛市居民的