美丽宜居的安陆市成了疫情重灾区,我不忍再看新闻,找来一些小林漫画

相关图片

平安夜问候祝福语动态表情图片

所以之所以把christmas缩写成xmas,是因为包含耶稣生平事迹的圣经

别低头 眼泪会掉表情包-装逼 你知道我在等你吗-日常表情包

文字表情平安幸福苹果平安夜gif动图_动态图_表情包下载_soogif

平安健康的聊天动态表情图

随机推荐

很帅但眼神浑浊,胸前有斑点被质疑是老年斑|郭富城|老年斑|眼神_新浪

肖战,新的战战,温柔与高冷的结合体.那么近又那么远 - 抖音

纽约时装周

伪装学渣朝俞

中国蓝盔维护世界和平与发展

权志龙同款帽子帽子女gd权志龙同款字母长款带子个-阿里巴巴

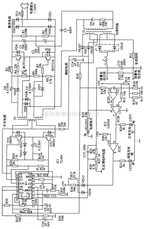
充电电路中的电动自行车佳腾充电器电路图

体型差|年下攻x猛男大叔,我先淦为敬!