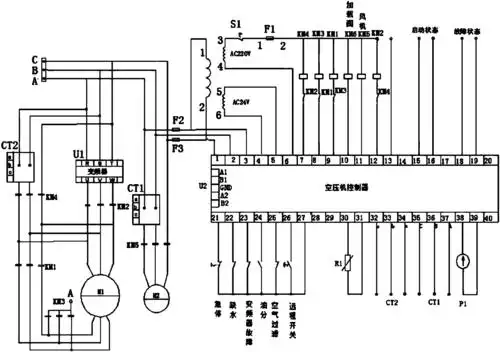
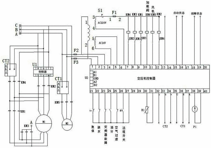
美的螺杆机单片机电路图

相关图片

一种模糊化控制螺杆空压机的控制器及控制方法

一种模糊化控制螺杆空压机的控制器及控制方法

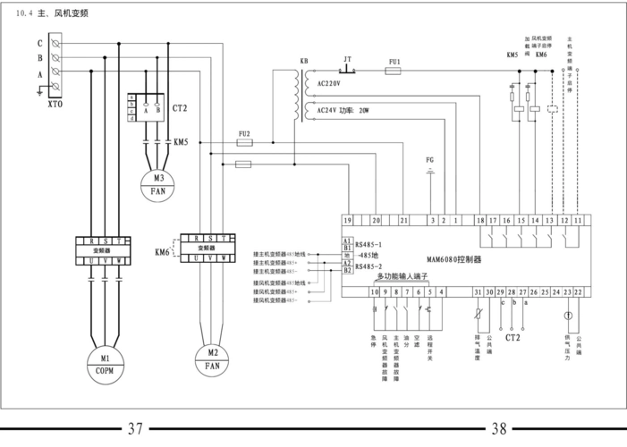
华达永磁变频螺杆式空压机【操作说明书】第6,7章,电气接线图

mlg复盛螺杆压缩机电气原理图

980a螺杆空压机接线图

随机推荐

黄渤主持49届金马奖 49届金马奖主持人 - 北京百科网

朱一龙最新帅气写真大片29

3/ 15新浪娱乐讯 henry刘宪华登上2017-2018湖南卫视跨年演唱会舞台.

灵魂莲华蛇女

用a4纸折的98k毛瑟步枪吃鸡神器造型超帅

中国工厂网 橡塑工厂网 工程塑料 pc pc沙伯基础(原ge)131r注塑级透明

图片信息

箭扣长城