方脸男生剪什么发型好看

相关图片

我又设计了一组男生的方块脸造型头像

方文山曝周杰伦新专辑正在制作中

方力申

男星方脸发型: ? 时尚炫酷 ?儒雅稳重气质完美展现

颧骨突出,嘴歪,当明星离开精修,缺点全暴露|赵丽颖|单眼皮|方脸_网易

随机推荐

原创那些年刘德华剪过的发型总有一款帅到你一般人还真驾驭不了

原创54岁王菲老到认不出穿一身黑瘦脱相素颜出镜与普通大妈无异

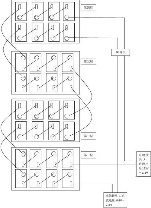
ups_a32电池箱内电池连接示意图_2组独立

共490 件史莱姆泥发泄相关商品

郑爽男朋友是谁 细数郑爽与前男友分手原因 郑爽的前男友有哪些

青龙湾100平方三室两厅新中式风格装修案例

周深# #周深深深感谢你9周年演唱会

郭俊辰的一日辰光