铜排有什么规格,怎么计算电流?

相关图片

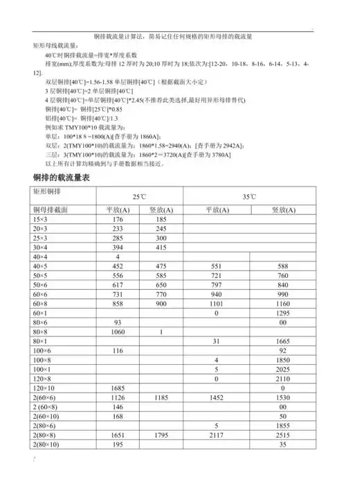
铜排及铜芯电缆载流量

铜排载流量表

定做紫铜镀锡铜排汇流排空开接线排断路器连接大电流接线铜排加工

请问:铜排的载流量是怎么计算的 比如:tmy 120*5.5 tmy 140*5.

5电表电流表100/5-800/5 50/5a ct5-100孔径17*20mm 方形孔(穿铜排或

随机推荐

高清麦克拉伦12c蜘蛛汽车图片电脑桌面壁纸_汽车壁纸_壁纸下载_美桌网

打字绘画素描德国橡皮擦笔式橡皮高光

美女明星陈意涵高清手机壁纸陈意涵大发台湾美女女演员甜美美女美女

微信头像黄明昊

艺术看|音乐剧《蝶》: 破茧成蝶诠释"一念一生"

成熟妩媚女性头像背影 女生头像图片大全 -【爱个性】

超赞的磨砂玻璃质感壁纸,真的绝了

高端立绘二次元商业插画人物,日系人设头像