笔记本 待机和开机电路

相关图片

戴尔n4010型笔记本不能开机

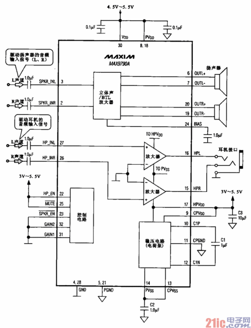
典型笔记本电脑的音频功率放大集成电路

苹果q41a笔记本电脑图纸.pdf

笔记本电脑供电电路故障的诊断方法 3

笔记本电脑开机及信号电路故障维修

随机推荐

【油画】国外.文艺复兴时期人物绘画(27)

金色花纹边框logo设计矢量

世界防治结核病日:全面解读与预防肺结核!向肺结核说不!|治疗|肺炎支

angelababy头像

可爱小熊身上的气球免抠素材免费下载_觅元素51yuansu.com

毛不易专辑

英雄联盟天赋(lol怎么学会自己点天赋)

小班《保护地球妈妈》ppt课件教案