鸡毛掸子扫灰打扫房间神器

相关图片

金凤凰掸坊新品伸缩加厚鸡毛掸子家用静电除尘禅子清洁不掉毛毯子

塑料彩色鸡毛掸子 除尘掸 清洁用品打扫工具

真鸡毛掸子家用墙面除尘禅子加厚可伸缩不掉毛汽车用扫灰清洁毯子

临沂鸡毛掸子家用汽车掸子除尘掸清扫掸清洁用品桌面扫促销特价

吴氏掸坊鸡毛掸子鸡毛扫家用车用结婚用除尘掸公鸡脖毛厚实美观

随机推荐

陈伟霆绅士西服帅气图片68

易烊千玺久违晒自拍素颜怼脸拍超能打阳光下瞳孔颜色抢镜了

花体字体在线生成器 在线花体艺术字转换器_艺术字网

王俊凯 北京电影学院 王俊凯毕业照毕业快乐 #王俊凯 - 抖音

全世界最好的朴灿烈生日快乐

蓝色系壁纸

2014年的汉兰达换电瓶了

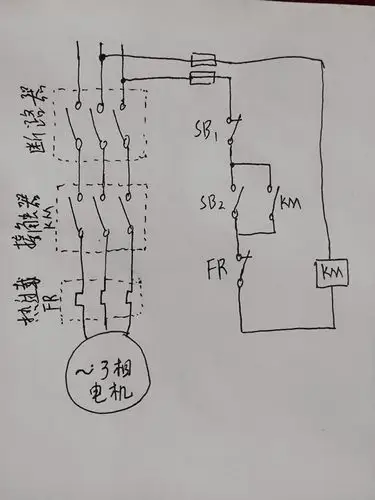
交流接触器接线图