梅艳芳 | 一些珍贵的照片

相关图片

梅艳芳

香港著名歌手演员芳华绝代梅艳芳经典照片集锦

交出我的心词条图册_百度百科

梅艳芳的哪个部位最美

梅艳芳罕见照从4岁到40岁34张照片看尽女人花短暂的一生

随机推荐

腹肌-王源原来是我哥-话本小说网

罗布奥特曼出现击退凶猛的怪兽卡通漫画

练声曲 (记谱 严国辉) 谱友园地

回顾孙小宝娶19岁金玲拒绝拜师赵本山他经历了什么

梦幻星座星空蓝色h5背景

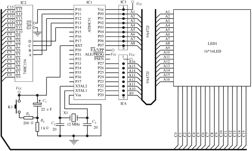
工程科技 能源/化工 基于单片机的led汉字显示屏设计与制作 硬件电路

等腰三角形腰上的高是腰长的一半,问底角多少度