4本文笔一流的网络小说虽然算不上神作却足够吸引老书虫

相关图片

幸福来得太突然 青瓷染色两发入魂_天龙八部ol_17173天龙八部_17173.

第3页 - 视觉秀场 - 《新天龙八部》官方论坛-【十二周年】今日

四月外观新品发布—《新天龙八部》官方网站

你要的时装和坐骑 - 官方记者站 - 《新天龙八部》官方论坛-天龙玩家

最新壁纸_天龙八部ol游戏截图 - 叶子猪天龙八部ol

随机推荐

新浪娱乐讯 近日,古力娜扎一组杂志写真曝光,她尝试利落的短发发型

胡歌×卫仕|好猫粮的诞生,是一场"肉的奇妙旅程"

[吐槽]真期待mhw那样画质的天慧龙啊

幽默风趣表情包

易烊千玺最新开车镜头,留着长发不笑的时候像个古惑仔

在百度贴吧搜到了蔡徐坤的旧照进来品

2005超级女声总决赛

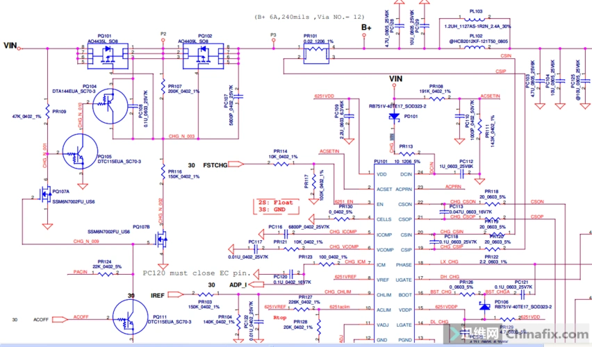
ausu 低功h笔记本 vin电路