csgo图标旋转10小时

相关图片

尝试csgo战队logo解析

csgo校园赛邀请函

csgo开年大赛开启六大战队角逐letougaminginvitationa

csgo战队logo解析2

csgo2即将更新?

随机推荐

ikun进!小黑子gun!

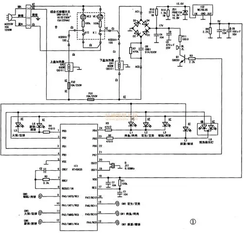
利仁2018a电饼挡电路分析与故障检修

我不允许还有人没预约暗夜行者ok?#新剧来袭 #李易峰 #暗 - 抖音

抗战时期,日军中的"大佐"可以带多少兵?

崽崽100天的照片#百天照 #胖嘟嘟小可爱 #爱笑的宝宝惹人 - 抖音

> 素材信息 建党节100周年宣传海报设计psd素材 2021

深海少女初音未来深海少女

上海前首富周正毅上诉要求改判无罪