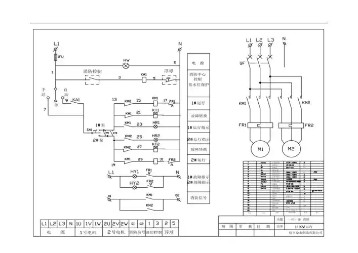
380伏一用一备手动/自动控制电路图

相关图片

2台水泵一备一用自动手动切换高水位启动任何1台低水位停止超高水位2

17,污水泵一备一用手动和自动控制电路(电路图,实物仿真图)

一备一用水泵,一用一备水泵接线图,水泵一用一备电路接线图-长沙中联

有电压表监视,过载报警,水位直接启停的水泵电动机控制电路

1,手动状态下,通过另个两个按钮分别控制1#水泵和2#水泵的启动,乖载

随机推荐

电视剧:《家有喜妇》集 数:30集类型:都市情感轻喜剧出品人:李洪制片

谭松韵粉色花瓣裙唯美写真桌面壁纸

letme晒与王俊凯合照两位颜值天花板小凯脸上的肉又回来了

动漫人物衣服怎么画

《枫》简谱周杰伦原唱 歌谱-钢琴谱吉他谱|www.jianpu.net-简谱之家

有一种年华叫张曼玉,花样年华的人生 依旧风华并茂

头像女霸气冷酷无情二次元

白昼呼之即来光明如影随形漫客mk34ii手电