高圆圆图片

相关图片

高圆圆当年的出圈神图,是多少人的壁纸和头像[期待][色] #秋日生活

高圆圆京城第一美女不是浪得虚名

高圆圆

高圆圆微信头像图片大全图片 微信头像图片大全 -【爱个性】

女生头像明星高圆圆微笑

随机推荐

腾讯3分彩免费计划软件

金晨西装墨镜

夫妻恩爱40年

潮流壁纸精选17张

blackpink金智秀jisoo高清饭拍手机壁纸

吴昕郑恺恋情实锤?两人多次低调同游,四年前就已经传出绯闻

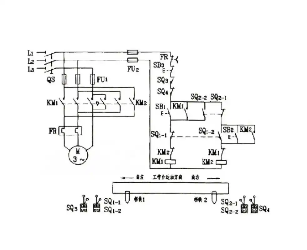
三相电机自动往返行程控制线路电路图解 有些生产机械,如万能铣床

年轻时在傅彪的牵线搭桥下,王劲松逐渐有了露面的机会.