电动机连续运行,停止 a qs fu b c 停车 sb1 按钮 起动 按钮 km sb2

相关图片

一个电机启动定时停止电路图

上热门 单相电动机正反转实物接线图 - 抖音

如何用线圈电压为220的接触器控制电机的启动和停止?

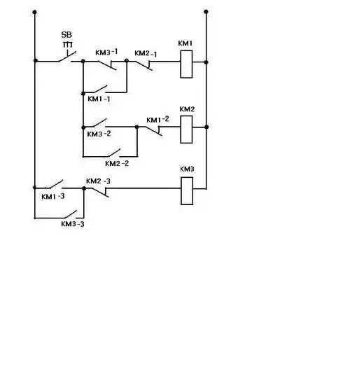
单按钮起停回路

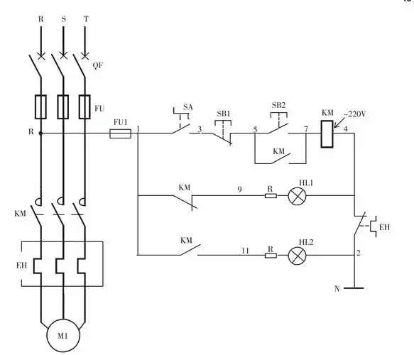
电动机启动停止电路图

随机推荐

名气大,演技好,个子矮,身高真的不重要了|成龙|梁朝伟|刘德华|郭富城

曾舜晞joseph身着poem高级定制系列渐变蓝色西装,搭配zuti牛津鞋

女人过了50岁,剪短发烫一烫就对了,洋气又时尚

青海母亲燕志云虐女,滚油灌嘴纱线封口,被判7年,出狱挖坟泄愤_腾讯

教你男生强壮肌肉的画法要点!_灵猫_课堂_西服

他娶过郝蕾,爱过王珞丹,负了殷桃,没想到38岁又娶了小10岁的她

标题:女摄影师的风采

曹丽霞