现代新mpv亮相,搭3.5l引擎 高级航空座椅,造型极富未来感

相关图片

跳出框架放飞自我,现代发布全新mpv车型staria官图_太平洋号

"车仔面大叔"北京现代库斯途mpv七座车测试

现代全新mpv现身国内,圆润造型酷似理想mega原型?

现代全新mpv现身国内,圆润造型酷似理想mega原型?

沉浸式体验现代汽车旗下全新mpv,2023款现代staria!

随机推荐

明星图片:张艺兴

周冬雨展现了她的新形象.

抽烟艺术头像女生头像 女生头像图片大全 -【爱个性】

笔画侧脸人走路简笔画女孩侧面简笔画全身有颜色侧面人物简笔画怎么画

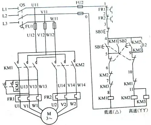
都在这了!三相异步电动机常用控制电路图集~咱得这么学!

【孟鹤堂周九良】我最爱的人就是你【在一起甜向剪辑】

[赵露思×王安宇]我有喜欢的人了

那英三任丈夫简介(东北大妞那英的彪悍情史)