柔柔|杜若溪|钟汉良|乔振宇|霍建华|娱乐圈_网易订阅

相关图片

整整隐瞒了15年钟汉良的老婆终于被曝光长的那么美难怪不公开

钟汉良隐婚妻子曝光,比孙怡漂亮,网友:上辈子拯救了银河系吧!

钟汉良和妻子协议离婚,女方净身出户不甘心,朋友圈透露离婚传闻_女儿

而且谢易桦的身边还带了一个小女孩,网友们猜测应该是钟汉良的女儿.

曝钟汉良去年已离婚!

随机推荐

张艺兴为ck拍摄内衣大片,半裸性感身材,粉丝呐喊:超喜欢!

如今被网友嫌弃变老了的孙艺珍,年轻时可是众多少男少女喜欢的女神.

网站活动上一图下一图收藏本图下载本图当前图片:骑自行车的人物背影

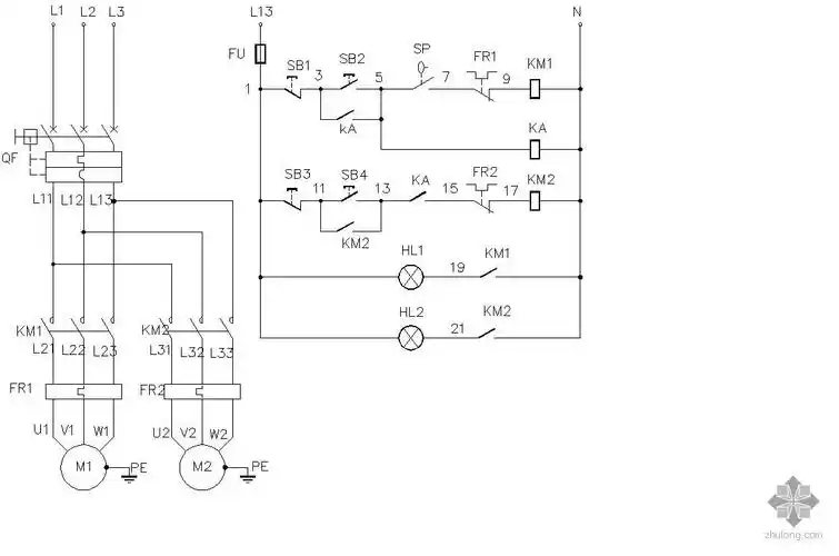
水泵控制原理图

可爱又帅气的男孩都暻秀,喜欢他干干净净的笑容,如沐阳光.

相序保护器接线图

脂溢性皮炎能治愈吗 得了脂溢性皮炎怎么办脂溢性皮炎能治愈吗?

著名老书法家张周林楷书中堂 对联--福寿