应急电源配电系统-ups电池组安装及充放电

相关图片

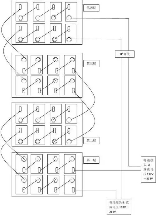
ups_a32电池箱内电池连接示意图_2组独立

ups系统安装主要是蓄电池之间连接,蓄电池与ups主机之间的连接.

3.如果有电池盒,将电池串起来,并根据需要连接到主机.4.对于大型vaups

apcups电源电池连接方法

ups系统安装主要是蓄电池之间连接,蓄电池与ups主机之间的连接.

随机推荐

鹿晗呀咿呀咿呀笑容沦陷警告准备好心动了吗

刘德华-2011 unforgettable中国巡回演唱会

香薷的功效与作用香薷与藿香的区别

旧楼改建旧房屋装修结构拆改有什么应该注意的

海尔燃气热水器零冷水安装效果图 - 抖音

画家柴博森 | 中国画作品庚子夏月网络展【金带福路艺术网】

壁纸时间 丨宫崎骏动漫插画

男生清新短碎发2021 打造阳光帅气的男人