行程紧张没有录制计划#杨幂方否认录hi6

相关图片

杨幂法国街头漫步##杨幂loewe罗意威全球品牌代言人

杨幂开叉长裙##杨幂力士洗护发大中华区代言人##今日星拍放送

杨幂穿时尚长裙回京!

杨幂工作室开始出图了#杨幂巴黎时装周行程正式开始了,杨幂工资室

刘恺威带女儿外出,网友赞小糯米颜值高遗传杨幂,9岁身高也惊人-大江

随机推荐

饭绘王源动漫图集 霸气可爱双面来袭

儿童简单汉服发型 炒鸡简单的汉服发型,保证你一看就会,快给小公主们

龙珠主题.4k超清壁纸#龙珠 #二次元 #动漫 #超燃动漫 - 抖音

j.truseam##青年主持人贺峻霖

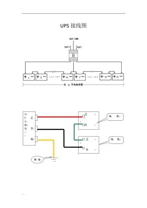
ups接线图与维修说明

认得出这是女神郑秀晶吗?素颜生图依然看着让人感觉很舒服和自然!

容祖儿 2019 pretty crazy 香港红馆演唱会 pretty crazy joey yung

品牌 鸿越 型号 001 货号 001 规格 a4b5a5a6 材质 道林纸 加工定制