自动模式切换蒸汽挂烫机控制电路及具有它的挂烫机

相关图片

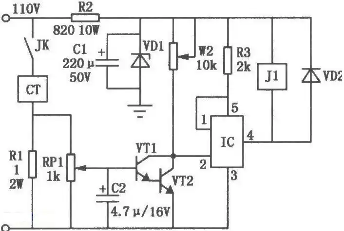
想了解一下挂烫机,求原理图,设计图,温度控制原理

贝尔莱德gs21bjh蒸汽挂烫机故障检修

智能蒸汽挂烫机自动控制开关电路及具有它的挂烫机

一种蒸汽发生器及手持式挂烫机的制作方法

专业人士帮忙看看, 蒸汽机原理对吗

随机推荐

裴秀智身上这款牛仔裤,公开就卖断货,胖人都能穿超显瘦

电影杀生 受得了的是全村人嫌弃,受不了的是自己的娃儿会被药 - 抖音

90后性感小美女可乐vicky,妩媚多姿,气质出众.

西藏318.准2012年进口丰田霸道tx2700,广州牌 无 - 抖音

绿的色卡_小红书

东方卫视一姐陈蓉,因"寿宴门"身败名裂,今低调嫁海归结婚生子

高枫的镜头不会被删 电影《绿茶》将于11月送审

幻灵战队超清原画壁纸英雄联盟