沥青路面构造图

双向4车道 路面结构设计使用年限:10年 交通饱和年限:10年 路面:沥青

图片尺寸760x608

一种路面沥青铺设方法

图片尺寸2005x1947

高速公路沥青路面结构方案图

图片尺寸1022x742

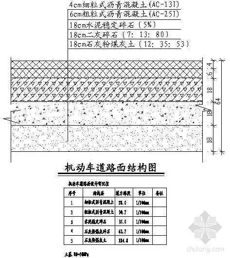
机动车道路面结构图

图片尺寸473x532

cn212077527u_一种沥青复合式道路路面结构有效

图片尺寸1936x847

沥青路面厚度规范要求,沥青路面铺三层厚度

图片尺寸1653x517

你知道市政道路沥青面层资料怎么编制吗?看这里

图片尺寸640x462

沥青道路结构

图片尺寸596x807

混凝土,沥青道路结构详图

图片尺寸627x832

12kb格式 rar等级:沥青路做法详图立即下载立即下载内容简介 沥青路面

图片尺寸560x405

沥青路面结构设计cad图

图片尺寸444x697

沥青路面结构

图片尺寸560x244

简述沥青路面结构层的层位和功能?

图片尺寸1770x677

基层验收合格即可进行水性乳化沥青封层,如果是老旧沥青路面

图片尺寸600x413

[分享]沥青路面工艺图资料下载

图片尺寸600x450

沥青路面做法

图片尺寸893x1263

分享新建沥青路面结构图资料下载

图片尺寸413x551

沥青混凝土路面结构图

图片尺寸726x499

沥青路面专项施工方案

图片尺寸600x450

沥青路面结构示意图.png

图片尺寸760x259