48v电机接线图实物图

单相电机接线图.pdf

图片尺寸1080x1443

电动车电机接线图.jpg

图片尺寸944x656

两相电机正反转接法实物图

图片尺寸580x411

双速电机的接触器接线图

图片尺寸600x450

电机- 优质问答专区

图片尺寸960x720

电机有刷直流串励电机48v60w1000w1500w电瓶三轮车电机 72v 1600w加强

图片尺寸750x429

电动车控制器接线方法及接线图详解?48v

图片尺寸600x350

电机正反转怎么接线实物图

图片尺寸736x552

48v1.5kw直流无刷电机配套100a电流驱动器实现大力矩控制(yss)

图片尺寸543x670

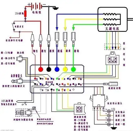
48v电动车真实接线路图 电池盒上红线接第一块电池正极

图片尺寸553x630

双速电机实物接线图

图片尺寸974x678

转载:电机连接,实物器件接线方法(希望对新手有帮助)

图片尺寸720x540

48v电动车真实接线路图

图片尺寸600x574

电动三轮车电机直流串励电机工程车48v1120w60v1500w有刷电机24v300w

图片尺寸750x800

三相异步电动机正反转实物接线图!

图片尺寸825x570

48v电动车控制器接线图电源锁控制器细供红线接电源,锁黄线接在什么土

图片尺寸594x583

电动机实物接线图借鉴实操

图片尺寸920x1302

电机正反转实物接线教程,48v直流电机正反转接线图8

图片尺寸600x303

48v电动车真实接线实物图按接线图所示连接各根导线

图片尺寸600x515

电机正反转实物接线原理图

图片尺寸1080x1010