工厂线路工程示意图

工厂供电实验报告

图片尺寸1187x903

某厂厂房电气设计图免费下载 - 电气图纸 - 土木工程网

图片尺寸770x530

两栋生产厂房强电施工图(2019)-建筑电气施工图-筑龙电气工程论坛

图片尺寸4000x3000

工厂车间设备供电实例

图片尺寸1788x1266

工厂供电复习题

图片尺寸652x548

一套工厂车间电气施工图含设计说明

图片尺寸610x432

2×300mw机组发电厂厂用电接线图

图片尺寸1572x856

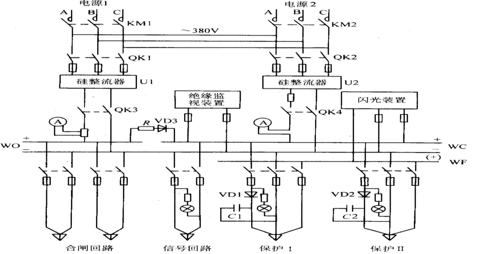
文档下载 所有分类 工程科技 信息与通信 > 论工厂供电系统的二次回路

图片尺寸1202x641

济南大学工厂供电第4章

图片尺寸1080x810

电力监控系统在恩格尔机械(上海)有限公司生产厂房四期扩建项目的应用

图片尺寸1680x1050

矿山采卤厂电气原理图- 电气工程图纸 - 沐风网

图片尺寸820x553

4200mw火力发电厂工程电气设计

图片尺寸805x568

烟台某厂区项目[电气施工图]-建筑电气施工图-筑龙电气工程论坛

图片尺寸1183x515

工程设计 效果图 工厂简易路线图 项目需求详情: 给工厂做导视牌

图片尺寸2390x2882

某机械厂高压供电系统的电气设计某机械厂高压供电系统

图片尺寸1689x2411

无忧文档 所有分类 工程科技 能源/化工 车间供电系统毕业设计 根据

图片尺寸1270x804

工厂供电_p124页图析.pptx

图片尺寸1152x864

免费文档 所有分类 工程科技 电力/水利 火电厂厂用电系统 (共1页

图片尺寸4896x3672

某水泥厂光缆布置图-电气节点详图-筑龙电气工程论坛

图片尺寸516x588

工厂供电系统图-电气节点详图-筑龙电气工程论坛

图片尺寸1142x790