国标05j909图集

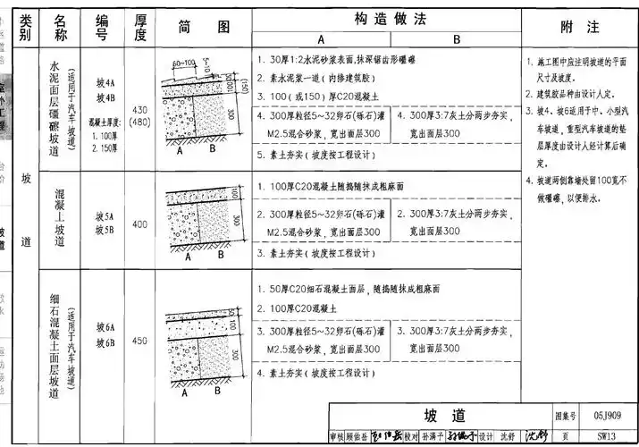
坡道05j909sw147b如何套定额

图片尺寸909x427

正版现货 23j909 工程做法 (代替05j909)国家设计标准图集 中国建筑

图片尺寸800x800

05j909:工程做法

图片尺寸1000x661

150 地砖踢脚,用于有地砖楼地面的墙面,参见国标05j909-踢5d/tj8,踢脚

图片尺寸688x342

超高清05j909:工程做法图集,涵盖室内室外等众多工程,速速领取

图片尺寸640x400

05j909:工程做法

图片尺寸1001x657

05j909:工程做法

图片尺寸999x652

装修工程图集05j909nq7内墙4c2施工做法

图片尺寸3196x2259

05j909工程做法图集高清版

图片尺寸929x657

05j909

图片尺寸1223x855

05j909《工程做法》(第五卷_共十卷)

图片尺寸2993x1950

超高清05j909:工程做法图集,涵盖室内室外等众多工程,速速领取

图片尺寸640x398

求图集05j909ld16地13c邮箱3067263368qqcom

图片尺寸1065x815

05j909-ld58-地54c

图片尺寸1414x896

超高清05j909工程做法图集涵盖室内室外等众多工程限时分享

图片尺寸640x399

偏跨屋面二(wm14--屋11).png

图片尺寸1215x824

你有05j909图集发我一份好吗,急用,谢谢 要不告诉我一下地66a的做法也

图片尺寸995x637

国标图集05j909《工程做法》_页面_010.jpg

图片尺寸3150x2000

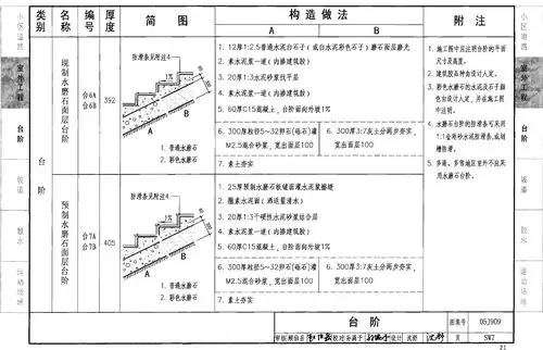
室内台阶做法:详国标05j909一sw7一台7a

图片尺寸1600x1031

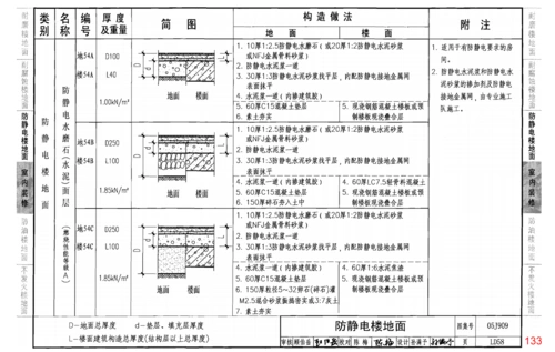
05j909(电控楼地面)

图片尺寸1263x893