16块ups电池串联接线图

192vups电源 外接16块蓄电池安装图示-北京盛通力源科技有限公司

图片尺寸606x800

ups不间断电源蓄电池接线图

图片尺寸938x458

ups电池并联和串联有什么不同

图片尺寸601x503

山特3c3ex20k的ups上面标称电压为正负192 v电池怎么接

图片尺寸774x375

山特ups电源c10ks电池组怎么安装

图片尺寸618x743

接线图(12v蓄电池)单组36v接线图(12v蓄电池)3,最常见的几组ups蓄电池

图片尺寸864x969

西安山特ups蓄电池_接线图分享

图片尺寸458x316

海迪尔h6-10k电力专用ups产品资料 - 锂电池ups不间断电源设备_电力

图片尺寸650x350

安第斯蓄电池之三节电池串联连接图

图片尺寸426x241

apc的ups电池线中性线的连接

图片尺寸605x460

ups接线图与维修说明

图片尺寸920x1302

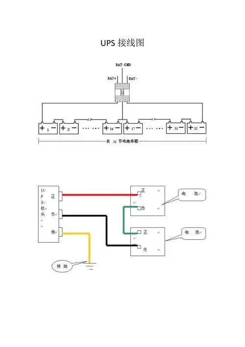
ups接线图

图片尺寸515x903

ups系统蓄电池之间的连接-电子发烧友网

图片尺寸640x640

展开全部 这个图是两组蓄电池串联图,一般用的很少.

图片尺寸450x300

ups接线安装实例

图片尺寸452x253

美国山特ups双电源输入电池中间有个n是接哪里

图片尺寸961x539

山特c6ks双转换在线式ups电源备电1小时配16节12v38ahvrla电池

图片尺寸790x819

由于安装ups及电池的空间有限_接线图分享

图片尺寸657x532

16块12伏电池怎样串联192伏有几种方法,有图吗

图片尺寸450x197

ups备用电源的电池问题!

图片尺寸483x390