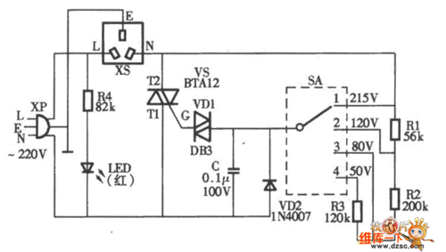
三档电锅电路图

【图】容声cfxb50-90da电饭锅电路设计其它电路图

图片尺寸747x423

电饭锅电路图全集

图片尺寸342x276

多功能电热锅线路

图片尺寸450x600

电饭锅的电路接线图【相关词_ 电饭锅温控器接线图】

图片尺寸345x333

如图是家用电饭煲的电路图.

图片尺寸171x147

半球cfxb系列豪华自动电饭锅电路图

图片尺寸330x359

电饭锅电路图纸13_爱德

图片尺寸576x261

三角牌电饭锅煲电路图

图片尺寸490x281

江菱rx-8型煎炸煮饭多用电热锅电路图

图片尺寸627x417

容声cfxb5090da型多用电饭锅电路图

图片尺寸792x662

三角drg130节能调温多用电热锅电路图

图片尺寸429x278

电饭锅电路图

图片尺寸344x324

多功能不锈钢电热锅电锅家用电炒锅电蒸锅电煮锅学生

图片尺寸790x710

三角牌ccfg型分体式电炒锅电路图

图片尺寸347x297

三角牌ccfg系列调温式电炒锅电路图

图片尺寸389x310

格兰仕cfk-120a自动电热锅电路图

图片尺寸340x245

电饭锅电路图纸7

图片尺寸486x297

名豪cfg150调温式电炒锅电路图

图片尺寸291x255

千益cqf3b多功能电热锅电路图

图片尺寸302x245

三角drg130节能调温多用电热锅电路图

图片尺寸429x278