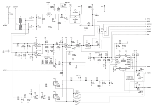
12伏2开关电源电路图

相关图片

220v/12v 150w开关电源电路

12v开关电源电路图

150w ups电路图-其他电源电路-维库电子市场网

12v开关电源电路图及原理分析讲解-kia mos管

12v可控硅蓄电池充电器电路图-其他电源电路图-电子产品世界

随机推荐

韩国可爱胖乎乎卡通兔子高清桌面壁纸

周杰伦晴天#简谱#五线谱 #钢琴简谱 - 抖音

一些喜欢半扎发的女生来说,在炎炎夏日一定不能够错过这款半扎发发型

秘鲁

请教苹果手机6电池拆保护板换电芯是否可行

李亚男晒长女给妹妹喂水,姐姐懂事惹人疼,性格安静不像王祖蓝

第29集 谎言背后29

筑梦青春季成长正当时北京市广渠门中学2017级初二年级青春礼