交流电焊机电原理图(220v/380v焊机)

相关图片

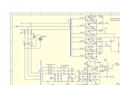
igbt逆变直流弧焊机检修纪实奥太逆变式二氧化碳气体保护焊机/二保焊

该线路可在电焊机不工作时使交流电源切断,由此可以消除空载损耗,达到

二保焊机otc送丝机的六条线哪条是负极,如何用量电压法检查线路是否

焊机电原理图讲解

氩弧焊机电路图

随机推荐

emporio armani/安普里奥阿玛尼 蓝色 男士短袖polo衫 3g1f65-1j46z

明星郑爽美丽的往昔1

卡通春节红色灯笼矢量图

lol英雄联盟 离群之刺 暗影之拳 阿卡丽 akali 星之守护者 手机壁纸

张含韵刘德华什么关系张含韵叫他干爹

上龙 复方酮康唑软膏 10g*1支/盒 真菌感染股癣体癣手足藓药膏外用

原圣言会会馆旧址

最酷的紫色头像图片浅紫色系微信头像