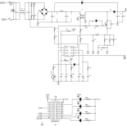
48v电动车充电器电路原理图

相关图片

48v电动车充电器电路图

48v电动车充电器电路图

48v电车充电器图纸

48v电动车充电器故障

48v电动车充电器原理图

随机推荐

152-188的男性标准体重是多少?不同年龄不一样,你超标了吗?

易烊千玺《卷宗wallpaper》封面新鲜出炉,魅力无边的新生代

鸡头米银耳百合莲子糖水

水瓶座9月事业,爱情运势详解

单人婚纱照|只属于不愿将就的你!这样子美极了

成果演员个人资料简介(成果在出名前都有哪些黑料) - 网络编辑之家

道教供奉的神仙 - 爱新觉罗.启松的日志 - 网易博客

日本秋天风景图片高清电脑桌面壁纸