电动三轮车拧油门时不工作但是显示通电状态是怎么回事

相关图片

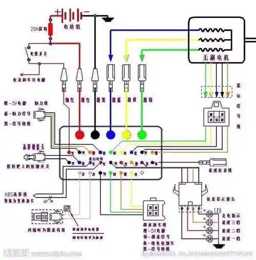
电动三轮车电路图与接线图解

用万用表测三轮电动车的控制器该怎样判断好坏

电动三轮车电路图

电动三轮车原理电路图及接线方法,整车线路完整版.

台铃60 v电动车三轮车486501控制器接线图

随机推荐

王俊凯壁纸

46岁曹颖破洞毛衣配热裤秀漫画腿,头上白发明显依旧自信满满!

真正男子汉

精美粤菜小炒

静字的笔画虽然简单,意义却非常深远.细品之,余味无穷. - 抖音

敌法师图片 dota2英雄图片

1000_2167竖版 竖屏

重庆水上电音节图