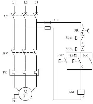
电动机制动控制电路图_电工基础知识_电工技术-电工最常见电路

相关图片

零基础学电工,先要学会这些最基本的电路图

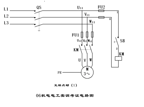
鼠笼式电动机自耦降压启动手动控制电路_电工基础知识_电工技术-电工

每日一图,电机控制电路图#零基础学电工 #维修电工 #电工电 - 抖音

使用浮球开关实现自动泵水控制电路图_电工基础知识_电工技术-电工最

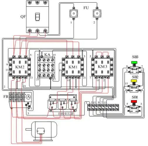
正反转星三角降压启动-最常见电路-电工基础知识

随机推荐

tfboys分享190602街舞少年易烊千玺梨涡浅笑可爱来玺

高圆圆现身机场,翻领羊绒大衣搭长筒靴,时尚优雅又显气质

放学啦 - 溜了溜了系列_溜了溜了_装逼_群聊表情

诸葛亮的八卦阵法

绝美古风美女壁纸,快来选你喜欢的吧!第20天!

盘点抗日剧中的大型搞笑穿帮镜头,摄像头都不值一提

徐仁国超话【220614 news】新专相关图,今天的物料是会把人下巴惊掉的

求一张在医院的真实照片,感谢各位老哥