每日一图,电机控制电路图#零基础学电工 #维修电工 #电工电 - 抖音

相关图片

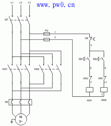
零基础学电工,先要学会这些最基本的电路图

21,零基础学电工-单向运转反接制动控制电路(电路图,仿真图)

顺序停止电路接线示意图_电工基础知识_电工技术-电工最常见电路

零基础学电工先要学会这些最基本的电路图

电动机正反转点动接触器互锁电路_电工基础知识_电工技术-电工最常见

随机推荐

贾玲成功瘦身100斤,满肚子苦水往外吐,网友质疑她卖惨_电影_减肥_照片

赵丽颖参加跨年,主持人一句玩笑让她接不上话,结果主持人被骂惨_因为

蔡徐坤分享对镜自拍##蔡徐坤晒对镜拍

关晓彤红衣琵琶女造型##关晓彤古装造型##王牌对王牌

2019年春季很减龄的气垫烫发型,配上显白发色,太好看了

夏至已至,运动消暑|游泳|健身|口罩|户外运动|散步_网易订阅

内衣学生高中女发育期无钢圈薄款文胸初中纯棉大学生防震运动背心