无刷直流电机的电路原理图免费下载

相关图片

基于tms320f2812无刷直流电机控制系统

直流无刷控制器电路图 - 东莞东昊电机有限公司

mc33035驱动三相无刷直流电机电路

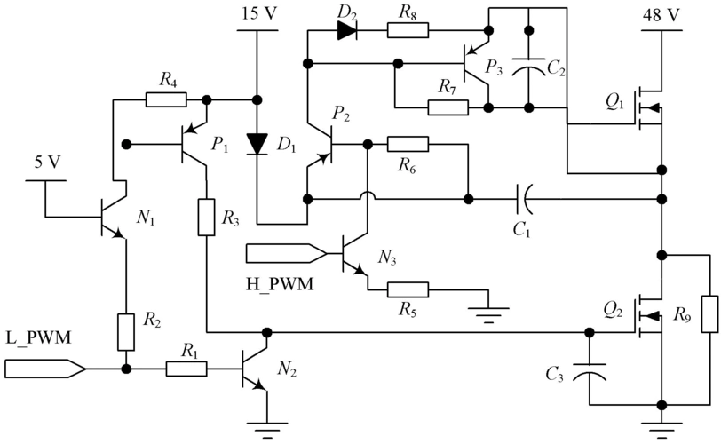
一种无刷直流电机及其自举全桥驱动电路

无刷直流电动机功率驱动电路设计

随机推荐

男明星的蓝底证件照易烊千玺可爱王俊凯养眼王源的太漂亮了

情侣头像伤感黑白

车辆启动后一直亮起,说明发动机温度过高,可能是冷却液不足,需要停车

gnz48王偲越美女小姐姐穿红衣服真好看啊

事实证明跟陈思诚藕断丝连的佟丽娅才是真正的清醒

游戏美术素材/2d游戏资源 魔兽风格icon装备物品图标/技能图标png

天秤1920 x 1080

傍晚的青岛老城区街道,光影交错,金光四溢,阳光透过树荫,安静的照亮着