两台一用一备排污泵控制电路图

相关图片

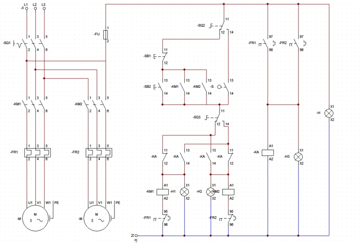
展开全部 这个可以参照污水泵电路图 向左转 向右转

排污潜水泵的控制电路图!具体要求如下!

水泵自动控制电路图

污水泵控制电气原理图

本实用新型的目的是提供一种线路简单,元器件少的排污泵水泵智能恐破

随机推荐

《马永贞》中17岁的范冰冰颜值太惊艳了,这剧也是80后的经典回忆

沙宣头适合什么脸型 什么脸型扎沙宣头好看(3)_沙宣发型_西子美发网

老虎图片大全野生老虎图片

高价回收各种钱币 第一套人民币贰佰圆万里长城纸币于1949年8月发行

王丽坤《经山历海》一改画风,有点意思!__财经头条

陶泽如李颖国球首度合作精彩剧照曝光图

当时代抛弃"青春小妞"王珞丹时,连声招呼都不会打

angry,英语单词,生气的;愤怒的,发怒的;(颜色等)刺目的;(伤口等)发炎