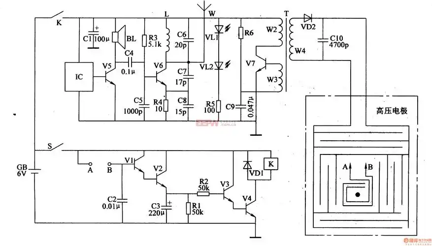
驱鼠器_电路

相关图片

有那位同胞知道最简单的电老鼠方法,最好附简单电路图,万分感谢了!

灭鼠-电路图-电子产品世界

请问一下高压灭鼠器中的电容有用吗?请高手解答

其振荡频率由555的②⑥脚接的33kΩ电阻和10nf电容决定

电动捕鼠电路图

随机推荐

西装就是嘎嘎帅!#旧漫头像 #动漫男头 - 抖音

亲爱的学弟学妹们,千万不要羡慕学长学姐们,别看我们放假早,但是我们

帅气中分女士短发,一看就不一样,喜欢就试试_发型_女性_魅力

音乐之声小提琴

植物大战僵尸巨人僵尸的儿子小鬼僵尸体型变大后谁能打败

男士锡纸烫(男士锡纸烫短发)-天晟网

intex 56265成人甜甜圈游泳圈巧克力腋下圈加大加厚海边戏水 泳圈

英雄联盟新英雄小鱼人的皮肤有特效吗?