电动捕鼠电路图

相关图片

有那位同胞知道最简单的电老鼠方法,最好附简单电路图,万分感谢了!

电子灭鼠器电路图

其振荡频率由555的②⑥脚接的33kΩ电阻和10nf电容决定

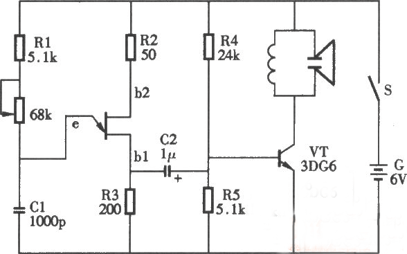
谁能帮我把这个灭鼠电路图元件列出来啊,有两个元件我不大懂

电鼠器制作电路图

随机推荐

欧洲贵族服装男士复古中世纪礼服王子国王戏服欧式舞台演出服 黑色

美国队长埃文斯晒自拍意外曝光不雅照迅速疯传登顶热搜第一

手绘毕业照|画了34个q版小朋友和老师 大宝马上幼儿园毕业了,有点依依

女生头像自然清纯漂亮真人图片

干货|皮鞋与西装,你的男朋友是这样搭的吗?

央视主持人章艳用经济学解读结婚越早越幸福

山河令动漫头像

首页 海报 宣传海报/宣传单/彩页/dm 得益牛奶