三相异步电机的基本控制电路_三相异步电动机控制电路-csdn博客

相关图片

三相异步电动机单向连续运行控制电路图共2页

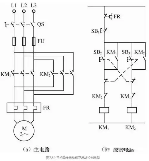
电动机制动控制线路 三相异步电动机正反转控制电路 电子元器件图片

三个铵钮控制的三相电机正反转点动长动

三相异步电动机接触器按钮双重联锁正反转控制电路

文档下载 所有分类 工程科技 电子/电路 > 三相异步电动机调速控制

随机推荐

张艺兴王一博又开撕杨洋抹黑宋茜赵露思不当绿茶罗云熙不放过陈都灵檀

我真的被帅到失语 67#王源染了绿发# #王源演唱会

而网上曝出的钟汉良年轻时的照片中,不得不说,这一副鲜美,帅气的模样

中国女明星前十排行榜,看完你就知道谁人气更高了_代表作品_我国_成为

背影女头 | 夕阳下氛围感女生头像_漂亮_网络综合_微信

蜡笔小新,小葵当导游哦

[同人搬运][bg向][公子×荧]"哎呀,你先听我解释啊小姐"

百岁老人的三寸金莲 【组图】