可控硅晶闸管的应用滑差电机

相关图片

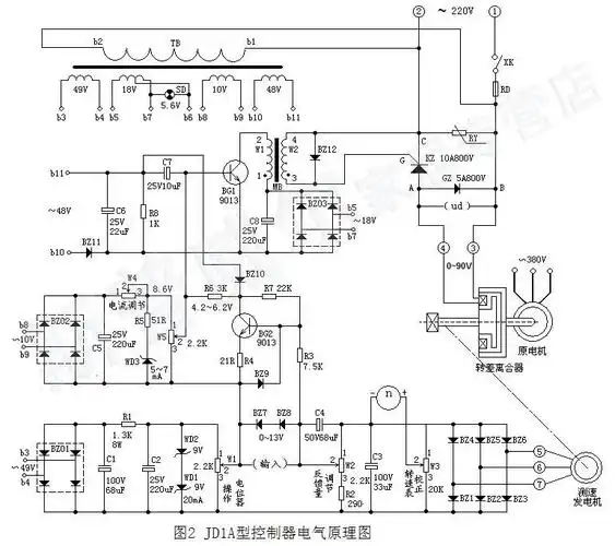
滑差电动机自动调速系统电路图

电机,我们在日常生活,工作中都经常用到,但不知道大家对" 滑差电机

选粉机设备原来使用75kw滑差电机拖动,设备简单,价格低廉.

jd1a-40滑差电机调速器 电磁调速电

可控硅晶闸管的应用滑差电机

随机推荐

钟楚曦超话光影流转,炽热绽放98@钟楚曦以一袭红色薄纱玫瑰礼服现身

呆萌可爱情头一人一半动漫 最佳cp组合_情侣动漫头像_头像屋

林允儿 yoona壁纸

王俊凯蒋依依国宝cp青果cp请勿上升真人

二次元动漫高清电脑壁纸p站大师手绘美图

结婚后,靳东继续专注演员的工作,而李佳为了家庭则她主动地退下荧幕

我勒个去国外玩家wow主题纹身大集合

斯诺克时尚之夜7015江映蓉 自信洒脱93火力全开 99时 - 抖