jd1a-40滑差电机调速器 电磁调速电

相关图片

滑差电机改造

可控硅晶闸管的应用滑差电机

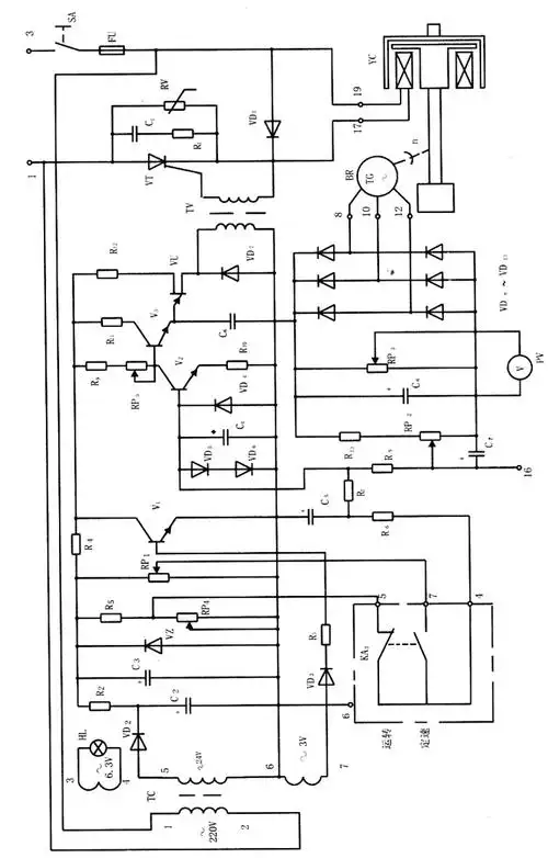
滑差电动机自动调速系统电路图

定制 电磁调速电动机国标全铜线马达380v三相异步电机滑差无极变速

可控硅晶闸管的应用滑差电机

随机推荐

杰森斯坦森大家应该都非常的熟悉了的,他是好莱坞有名的动作男演员

优质白毛动漫女生头像

比耶女生q版比耶的女孩比耶日系校园女生手绘卡通可爱萌系女孩胜利

质感超好的极速黄 巴博斯 g800

idolish7未完成な仆ら未完成的我们旧revalegamever中日歌词

买2送1kindeal健典牡蛎肽压片糖果牡蛎片正品

王梓莼,长相优雅甜美的素人校花

blackpink jennie 金智妮 rose 朴彩英