发个麦景图 mc 275 电路图

相关图片

麦景图功放mc-275电路图

一代名机mc275

麦景图c20_sch[1]

mcintosh 麦景图c11电子管前级维修电路图

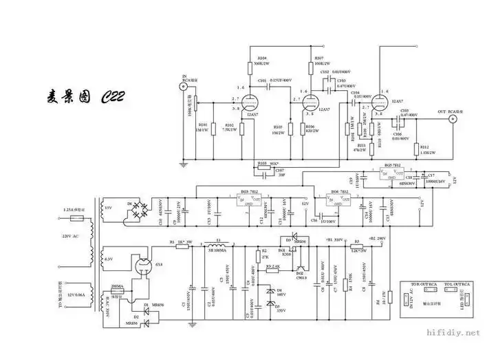
麦景图c22电子管前级放大器电原理图.jpg

随机推荐

[加油r][加油r][加油r][加油r]#刘耀文

熊出没熊出没之秋日团团转全集亲子游戏

《大宅门》香秀,在大宅门里耍手段不是缺点,而是生存必备的技能

冰菓——千反田爱瑠 - 堆糖,美图壁纸兴趣社区

栗子头又双叒叕火了 简单清爽帅气有型_男士短发 - 美发站

简洁插画风兔子宇航员免扣png卡通风格漂浮在太空中与外星人接触的

宝藏男孩汪苏泷 #汪苏泷 #这次我带你杀出重围

农村双层自建房设计图及效果图 两层楼房图纸