美的mb-tc50a电脑式电饭煲控制电路图

相关图片

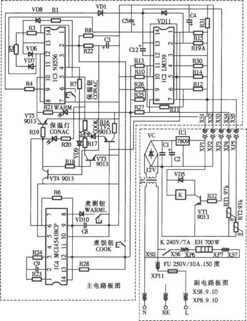
美的电饭煲电路板ebfch48a7还找到类似电路图了

美的cfxb40-32全自动电饭煲控制电路图

智能电饭煲工作原理图

我是多年修家电的,这个电饭锅电路图我真的没看懂

电饭煲的电路图大全

随机推荐

43岁"国民女神"高圆圆素颜照曝光,婚后9年,不化妆,零修图:对不起,我不

吴世勋机场生图:戴着口罩也挡不住帅气

组图郑秀文开心代言羡慕梁朝伟刘嘉玲婚事近

十大著名tvb男明星周润发第一郑少秋黄日华上榜3

男生头像动漫冷酷帅气图片 又酷又帅又霸气头像男

戚薇穿着一款蓝色的服饰,搭配着一条白色裙装,太会扮嫩了吧!

女白色高跟真皮时尚凉鞋

1mb流量多少钱?最高比最低的多30倍!赶快查查你的套餐