收集电动车充电器电路图30张,以备不时之需

相关图片

电动车充电器电路图全集

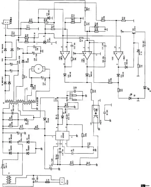
雅迪电动车充电器电路图(高标牌)

电动车充电器电路原理图

电动自行车充电器电路原理分析

五款电动车充电器电路图讲解

随机推荐

5,客厅装修什么颜色好看又大气1 1蓝色 地中海风格的居室设计中都会

水月镜花 公鸡 剪纸画手工艺窗花贴福字装饰用品鸡年门贴年画贴纸 jn

容祖儿湖南卫视跨年燃动开场与twins合唱容我sa娇感情真挚

q版可爱的画师手绘名侦探柯南人物头像,卡通头像图片

咸宁店干性食品陈列美篇

标准衣柜绘图设计cad图库 | 模块组合设计步骤指引 | 橱柜衣柜三维

q版 神兽

练声曲