电工师傅们,帮我看看,这是是怎么回事,三相电饼铛,下面有时候加热上不

相关图片

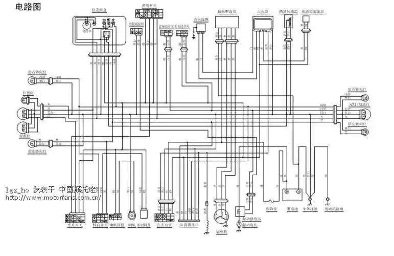
电饼铛双开关接线图_电饼铛双开关接法图解

220v电饼铛怎么接线,求指点

拆修电饼铛

电饼档380伏和220伏通用怎么接

美的电饼铛开关接线图-220v电开关怎么接线

随机推荐

耐辉顿火漆印章时代少年团tnt时代少年团火漆印章套装铜头格子应援色

青蛙卡通可爱的青蛙白色背景在池塘前的莲花花的蝌蚪战斗矢量无缝模式

发型推荐唐艺昕齐肩短发造型

小鬼王琳凯又又又要发新歌啦仿生人前传pinkymurdermv预告06战损妆

盘点明星小时候的采访古灵精怪人小鬼大简直太可爱了

守候元宵节,护航开学季——乌鲁木齐公安民警多举措提

美孚(mobil)银装美孚1号全合成机油 5w-30 sn级(5l装)

千年火不思梦萦传承人乌日娜