三相异步电动机正反转控制电路见附图.

相关图片

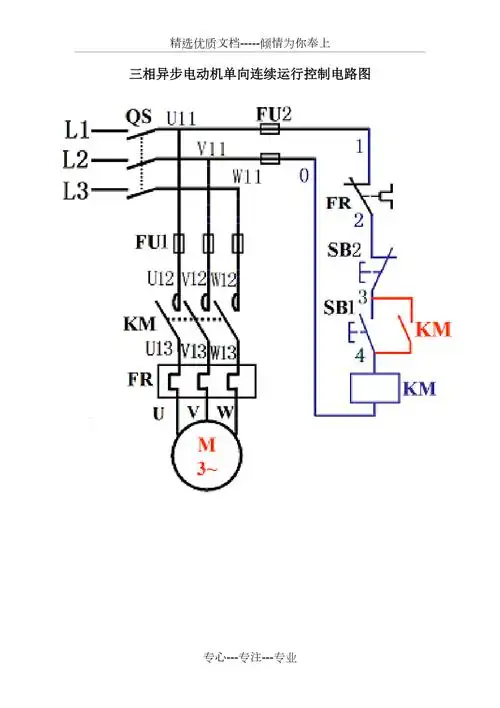
三相异步电动机单向连续运行控制电路图共2页

电机控制线路.电动机y_^降压启动电路图. 机械制图__吊钩 - 抖音

三相异步电机自锁正转控制电路图 - 电子方案资讯_我爱方案网

三个铵钮控制的三相电机正反转点动长动

三相异步电动机手动正反转控制电路

随机推荐

谭松韵晒照变身行走的表情包偶像包袱离家出走

粉色卡通儿童生日菜单

蔡依林 jolin tsai - 呸 [专辑周年影片] play album anniversary

孙俪《芈月传》【芈月】中国历史上,太后这个称谓始见于她,太后专权亦

4k鬼刀手机壁纸

艾伦

创造101的选手合照,高清图片,电脑桌面-壁纸族

晚安小企鹅_日系q版正能量企鹅企鹅绘画作品