空压机原理图

相关图片

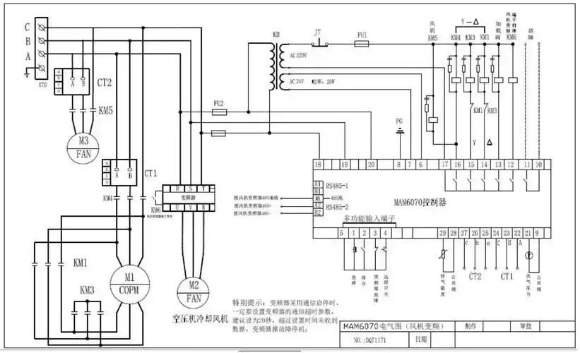
螺杆式空压机mam880控制器电气原理图

一种模糊化控制螺杆空压机的控制器及控制方法

华达永磁变频螺杆式空压机【操作说明书】第6,7章,电气接线图

空气压缩机电路

螺杆空压机维修配件mam6070触摸屏一体式控制器

随机推荐

原创江疏影为何会跟胡歌分手看到原因网友大多数女人都忍不了

惊艳美女王丽坤,身材窈窕,美艳动人!

英文花体大写字母分享来get自学资料吧

十八层地狱都有哪些犯了啥事会进去

野生保护动物合辑

看海的小男孩. &n-edwardpic

中国铁路线分布图(中国铁路线分布图高清简图)

叶罗丽王默嫁给水王子婚礼中惨遭抛弃忘记是对的选择吗