请教家电高手:多余1个72v和1个48v电动车充电器,我想改成12v充电器,给

相关图片

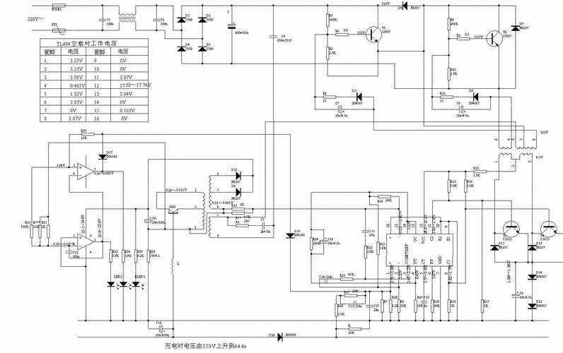
纸上谈兵之手抄72v电瓶车充电器电路

12v蓄电池充电器原理图

电动车gd36充电器电路图

12v汽车电瓶充电器电路图

该铅酸蓄电池充电器电路由电源稳压电路,电压检测器和充电控制电路等

随机推荐

儿童创意画梦中的房子

肖战和杨紫不会大炒cp,从这些细节就可以看出来,太避嫌了!

2020年流行 "中发碎剪"_发型

【经典小品】沈腾,马丽,杜晓宇合作小品《扶不扶》

【转载】少女民国梦--李盼

小鬼

瓜希酱cosplay写真图片合集放送|动漫|小仙女|coser_网易订阅

祝中秋节快乐,万事如意,心想事成!2.