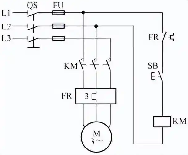
电工常用电动机控制电路(四)

相关图片

电工实操考核中,最重要的7张电路图(行家收藏)

电工考证,电力拖动电路图

求电路图-有问必答-电工基础知识 - powered by discuz!

2,零基础学电工-自锁控制(电路图,实物接线图,仿真图)

维修电工中级接线图

随机推荐

【蔡徐坤&angelababy】睡觉前来点糖甜一甜吧~cp向 勿上升

【1990年"港姐"袁咏仪,年轻时照片美得"不可方物"】这张照片中的

卡卡西 - 堆糖,美图壁纸兴趣社区

超好看的古风闺蜜头像

狗头表情包dogdog汪汪汪

火影们的语录

求 午夜的萨克斯 谱子午夜的随想 乱按流之四,午夜的随想 乱按流之四

【赵粤】谷粒多先行版预告cut