白鹿古装剧照#国风主理人

相关图片

白鹿古装剧照#国风主理人

白鹿古装,人似月,腕凝雪91好看系列17

白鹿古装剧照#国风主理人

原创白鹿成新晋古装女神路透照战损妆又美又殇小鹿眼更是楚楚动人

白鹿姜雪宁妆造灵动感##古装是白鹿的统治区

随机推荐

电动车锂电池

易烊千玺街拍图片高清壁纸

马可被付辛博树咚,付辛博豪到要买下一条街送给你!

新发型推荐17款好看时尚颜值高让你不后悔

戚薇3岁女儿搞怪表情九连拍还有模有样示范如何涂口红

很可爱的又很个性的猫猫的图片来啦,萌萌的让人看一眼就很喜欢的可爱

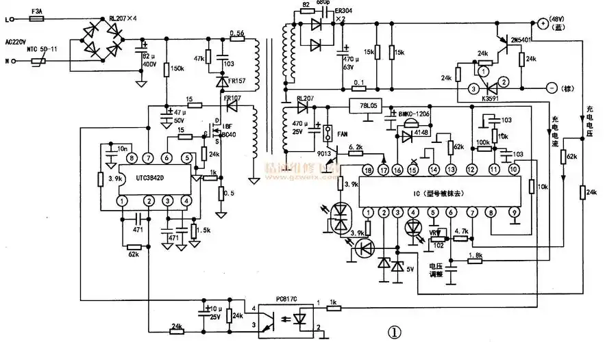
奥斯48v电动车充电器故障检修

经常"咬指甲"的孩子,长大后会怎样?三种结局很残酷,趁早改